智能電磁香蕉网在线视频免费管道安裝要求
1、為了電磁香蕉网在线视频免费的安裝、維護、保養方便,電磁香蕉网在线视频免费周圍需保留足夠的空間
2、避免電磁香蕉网在线视频免费安裝在溫度變化很大或受到設備高溫輻射的場所
3、香蕉网在线视频免费應安裝在室內,如安裝在室外,應避免陽光直射,必要時請安裝防曬防水裝置
4、避免香蕉网在线视频免费安裝在含有腐蝕性氣體的環境中
5、避免香蕉网在线视频免费安裝在有強振動源、強磁場的場所
6、 上、下遊工藝管的內徑與香蕉网在线视频免费的內徑應滿足:0.98DN≤D≤1.05DN(DN:香蕉网在线视频免费內徑;D:工藝管內徑)
7、工藝管與香蕉网在线视频免费需同心,同軸偏差不大於0.05DN
泵的安裝如圖

閥的安裝

彎曲管道上香蕉网在线视频免费的安裝

智能電磁香蕉网在线视频免费敞口排放前安裝

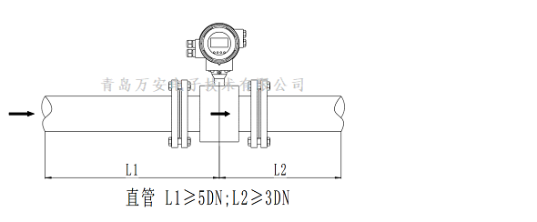
直管段要求
1、水平管道上安裝智能電磁香蕉网在线视频免费直管段要求

2、有彎頭管道對電磁香蕉网在线视频免费安裝要求

3、縮頸管道對電磁香蕉网在线视频免费安裝直管段的要求

4、擴徑管道對電磁香蕉网在线视频免费安裝直管段的要求

5、泵下遊安裝電磁香蕉网在线视频免费對直管段的要求

關鍵詞描述:防爆電磁香蕉网在线视频免费,國產電磁香蕉网在线视频免费,汙水電磁香蕉网在线视频免费,進口電磁香蕉网在线视频免费,智能電磁香蕉网在线视频免费,分體式電磁香蕉网在线视频免费,一體式電磁香蕉网在线视频免费,高壓電磁香蕉网在线视频免费,電磁香蕉网在线视频免费廠家,電磁香蕉网在线视频免费安裝,電磁香蕉网在线视频免费價格,插入式電磁香蕉网在线视频免费,電磁香蕉网在线视频免费工作原理
青島香蕉视频91下载電子技術有限公司主營產品:渦街香蕉网在线视频免费,電磁香蕉网在线视频免费,渦輪香蕉网在线视频免费,預付費香蕉网在线视频免费,IC卡預付費香蕉网在线视频免费,蒸汽預付費,熱水預付費,IC卡刷卡充值設備,顯示儀表,熱量表,差壓式儀表,分析儀器,水質監測設備,壓力儀表等,以及承接電氣自動化項目。歡迎來電谘詢。
熱線電話:0532-67731362 /0532-67731361
微信公眾號